
Tôle de sécurité galvanisée avec 2 languettes pour le blocage des vis et des écrous.
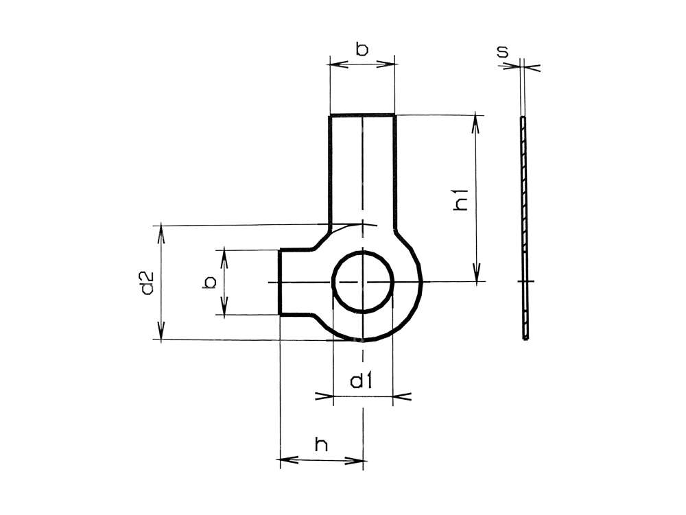
Reprendre les dimensions suivantes sur la figure 2:
| Ø extérieur | 10 mm |
| Épaisseur | 0.5 mm |
| Matériau | Acier |
| Surface | galvanisé bleu |
| Longueur totale | 8 mm |
| Largeur | 6 mm |
| Nombre de lobes | 2 pcs |
| Taille du filetage | M5 |
| Ø intérieur | 5.3 mm |
| Longueur 2 | 16 mm |
| Largeur 2 | 6 mm |
Découvre les catégories de Sets de vis et d'éléments de fixation
Les fans de mobylette aussi acheté

