
Tôle de sécurité galvanisée avec 2 languettes pour le blocage des vis et des écrous.
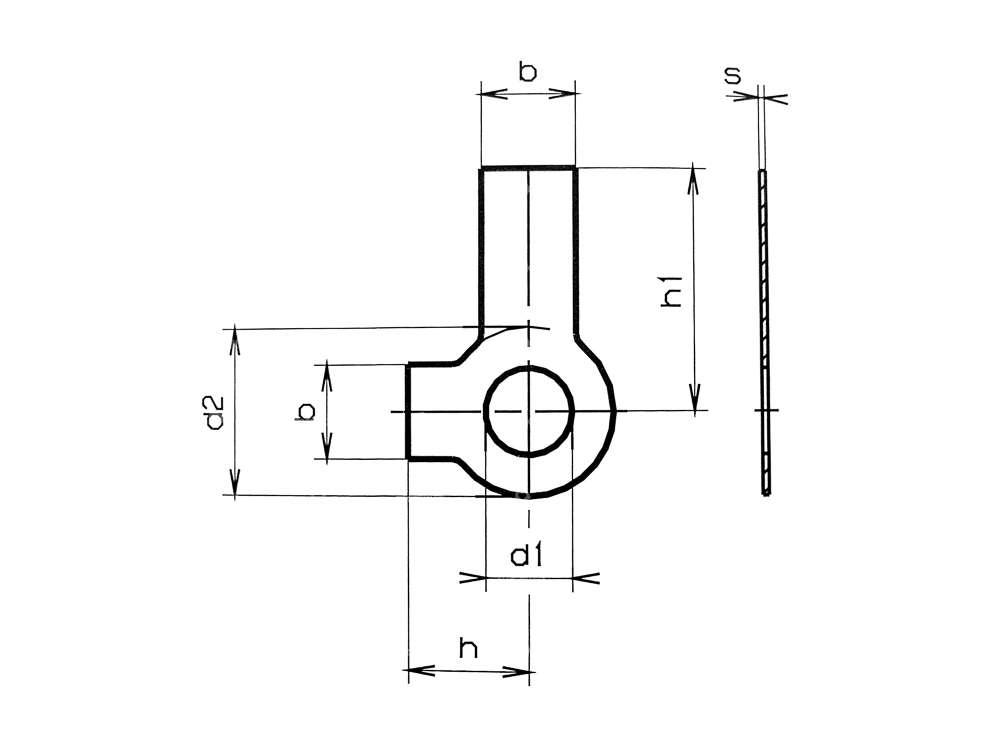
Reprendre les dimensions suivantes sur la figure 2:
| Longueur totale | 13 mm |
| Largeur | 10 mm |
| Matériau | Acier |
| Surface | galvanisé bleu |
| Taille du filetage | M10 |
| Ø intérieur | 10.5 mm |
| Ø extérieur | 21 mm |
| Nombre de lobes | 2 pcs |
| Épaisseur | 0.75 mm |
| Longueur 2 | 22 mm |
| Largeur 2 | 10 mm |
Découvre les catégories de Sets de vis et d'éléments de fixation
Les fans de mobylette aussi acheté
Fiche de bougie d'allumage BERU / 1 kΩ déparasitée
Fabricant: BERU · Matériau: Tôle (acier) · Logement de la fiche de bougie: M4 · Câble disponible: Non · Déparasité: Oui · Résistance: 1000 Ω · Sous-catégorie: Cosse de bougie d'allumage · Ø du câble: 5 mm · Ø du câble: 7 mm · Couleur: argent · Pony numéro OEM: A2099 · Sachs N° OEM: 0265 100 00
10,40 EUR
Huile moteur Motorex Automatic (ATF) 450 ml
Fabricant: Motorex · Contenu: 450 ml · Type de transmission: Automate · Champ d'application: Lubrification de la boîte de vitesses avec embrayage · Résistance à la température (min.): -45 - 200 °C · Pony numéro OEM: A2080 · Sachs N° OEM: 0263 014 002
11,70 EUR
26,00 EUR/l
swiing® revival Joint couvercle boîte de vitesses | Sachs 503 AAL, ABL, AB, AC, ADV, 2AL/2BL (A1888)
Fabricant: swiing® revival parts · Matériau: Papier d'étanchéité · Largeur: 130 mm · Nombre de composants: 1 pcs · Épaisseur: 0.35 mm · Longueur totale: 200 mm · Nombre de points de fixation: 6 pcs · Couleur: couleur sable · Pony numéro OEM: A1888 · Sachs N° OEM: 0250 150 000
6,35 EUR
swiing® revival fixation pignon M12x1 (écrou & rondelle élastique) | Sachs / Hercules
Fabricant: swiing® revival parts · Matériau: Acier · Surface: bruni · Surface: galvanisé bleu · Type d'écrou: Écrou hexagonal 0.5D · Type de filetage: MF12x1 (filetage fin) · Entraînement: Six pans extérieurs · Hauteur: 5 mm · Classe de résistance: 8 · Pony numéro OEM: A1720 · Pony numéro OEM: A4249 · Sachs N° OEM: 0242 124 000 · Sachs N° OEM: 0244 189 110
4,60 EUR




