
Galvanized lock washer with 2 tabs for securing nuts and bolts.
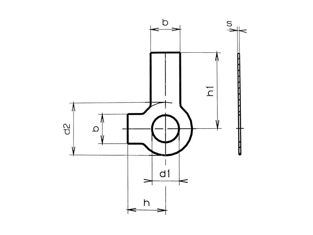
Take the following measurements from figure 2:
| Material | Steel |
| Surface | galvanized (blue) |
| Ø outside | 24 mm |
| Total length | 15 mm |
| Number of lobes | 2 pcs |
| Ø inside | 13 mm |
| Thread size | M12 |
| Thickness | 1 mm |
| Width | 12 mm |
| Length 2 | 28 mm |
| Width 2 | 12 mm |
Explore categories from Screws & fastener sets
Moped fans also bought
Meteor piston 38 mm #C | Sachs 503 AB/AC
Nominal diameter: 38 mm · Manufacturer: Meteor · Ø outside piston (A): 37.98 mm · Compression height (C): 28 mm · Curvature (D): 2 mm · Total piston height (E): 51 mm · Number of piston rings (F): 1 pcs · Piston ring mold: Rectangular ring · Piston ring impact: Internal fuse (IS) · Piston ring height: 1.5 mm · Ø piston pin (B): 12 mm · Tolerance group: C · Weight piston kit: 75 g · Pony OEM number: A5685C · Sachs OEM no.: 0286 382 306
63,90 EUR
swiing® revival sprocket mounting M12x1 (nut & spring washer) | Sachs / Hercules
Manufacturer: swiing® revival parts · Material: Steel · Surface: burnished · Surface: galvanized (blue) · Nut type: Hexagon nut 0.5D · Drive: External hexagon · Strength class: 8 · Thread type: MF12x1 (fine pitch thread) · Height: 5 mm · Pony OEM number: A1720 · Pony OEM number: A4249 · Sachs OEM no.: 0242 124 000 · Sachs OEM no.: 0244 189 110
4,45 EUR
swiing® revival silent blocks Alu Racing | Sachs 503 / 504 / 505 / 535
Manufacturer: swiing® revival parts · Material: Aluminum · Surface: anodized · Ø inside: 8.3 mm · Nominal diameter inside: 8.5 mm · Ø outside: 21.95 mm · Total length: 13 mm · Ø Bundle: 26 mm · Alternative version of the Pony OEM number: A4286 · Alternative version of the Sachs OEM number: 0251 121 000
27,30 EUR




