
Galvanized lock washer with 1 tab for securing nuts and bolts.
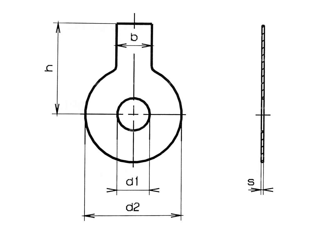
Take the following measurements from figure 2:
| Total length | 22 mm |
| Material | Steel |
| Ø inside | 10.5 mm |
| Ø outside | 26 mm |
| Width | 10 mm |
| Number of lobes | 1 pcs |
| Thickness | 0.75 mm |
| Surface | galvanized (blue) |
| Thread size | M10 |
Explore categories from Screws & fastener sets
Moped fans also bought
NSK 6201 ball bearing 12/32/10
Bearing type: Shoulder bearing · Stock number: 6201 · Inner ring width: 10 mm · Manufacturer: NSK · Bearing clearance: CM (special/noise-reduced) · Bearing cage: Sheet steel cage ball-guided · Groove ring: No · Material: Steel · Width: 10 mm · Ø inside: 12 mm · Ø outside: 32 mm · Ball bearing closed: No · Area of application: Standard
10,00 EUR
swiing® revival gearbox cover gasket | Sachs 503 AAL, ABL, AB, AC, ADV, 2AL, 2BL (A1888)
Color: sand-colored · Thickness: 0.35 mm · Manufacturer: swiing® revival parts · Number of components: 1 pcs · Material: Sealing paper · Total length: 200 mm · Width: 130 mm · Number of fixing points: 6 pcs · Pony OEM number: A1888 · Sachs OEM no.: 0250 150 000
6,35 EUR
Meteor piston rings 38 x 2 mm (FS) (pair) | Sachs 50/2, 503
Nominal diameter: 38 mm · Manufacturer: Meteor · Diameter: 38 mm · Thick piston ring: 1.6 mm · Piston ring mold: Rectangular ring · Piston ring impact: Flank safety device (FS) · Height: 2 mm · Pony OEM number: A1091 · Sachs OEM no.: 0215 009 000
12,80 EUR




